ZF41K5E-TFD-567 — Мощный низкотемпературный спиральный компрессор с впрыском жидкости для промышленной холодильной техники
Общее описание:
Компрессор ZF41K5E-TFD-567 — это производительный герметичный спиральный агрегат низкотемпературного исполнения, оснащенный технологией впрыска жидкого хладагента и резьбовыми патрубками под быстроразъемные соединения «Роталок» (Rotalock). Предназначен для работы в промышленной холодильной технике с хладагентами R-404A, R-134a, R-22, обеспечивая высокую холодопроизводительность 12,70 кВт при экстремально низкой температуре кипения (-25 °C). Благодаря своей конструкции, модель идеально подходит для крупных систем глубокого охлаждения и заморозки, где критически важны надежность, производительность и удобство обслуживания.
Ключевые характеристики:
Холодопроизводительность: 12,70 кВт (при Ткип. = -25 °C, Тконд. = +40 °C, хладагент R-404A)
Объёмная производительность: 35,30 м³/ч
Рабочие хладагенты: R-404A, R-134a, R-22
Питание: 380–420 В, 3 фазы, 50 Гц
Потребляемый ток (макс.): 29,0 А
Технология: Впрыск жидкого хладагента (Liquid Injection) в камеру сжатия для охлаждения
Масло: Заправлен 3,37 л синтетического полиэфирного масла Emkarate RL32-3MAF
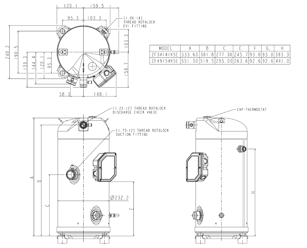
Соединения: Резьба под Rotalock (всасывание — 1¾", нагнетание — 1¼")
Габариты (Д×Ш×В): 280 × 280 × 534 мм
Масса нетто: 63,10 кг
Расшифровка обозначения и особенности:
ZF: Низкотемпературный спиральный компрессор (Scroll), предназначенный для работы с низкими температурами кипения.
41K5: Код, обозначающий холодопроизводительность и серию в низкотемпературном исполнении.
E: Использование синтетического полиэфирного масла (POE).
T: Трехфазный электродвигатель.
F: Наличие внутренней защиты двигателя (встроенная термозащита).
D: Исполнение/тип.
567: Вариант исполнения (BOM), указывающий на наличие системы впрыска жидкого хладагента, быстроразъемных соединений Rotalock и усиленной конструкции для мощных низкотемпературных применений.
Преимущества модели:
Технология впрыска жидкого хладагента: Ключевая особенность, которая позволяет охлаждать компрессор во время работы, предотвращая перегрев при высоких перепадах давления и температур, характерных для низкотемпературных систем. Это значительно увеличивает надежность и срок службы.
Высокая производительность при глубоком минусе: Специально спроектирован для стабильной и эффективной работы при температурах кипения до -25 °C и ниже, обеспечивая значительную холодопроизводительность.
Быстроразъемные соединения Rotalock: Позволяют проводить быстрый монтаж, демонтаж и обслуживание без пайки, что сокращает время простоя системы и упрощает сервисные работы.
Промышленная надежность: Усиленная конструкция и система впрыска обеспечивают устойчивость к термическим и механическим нагрузкам, характерным для интенсивной эксплуатации в промышленных условиях.
Универсальность по хладагентам: Совместимость с R-404A, R-134a и R-22 обеспечивает гибкость применения и возможность сервисной замены в различных промышленных холодильных системах.
Сфера применения:
Крупные низкотемпературные холодильные камеры для глубокой заморозки продуктов в логистических центрах и на пищевых производствах.
Промышленные морозильные установки (тоннели шоковой заморозки, скороморозильные аппараты).
Камеры хранения мороженого, замороженных полуфабрикатов и морепродуктов.
Холодильные системы для химической и фармацевтической промышленности, требующие низких температур.
Сервисная замена в существующем мощном низкотемпературном оборудовании на R-404A, R-134a или R-22.
Примечание:
Компрессоры серии ZF с впрыском жидкого хладагента являются специализированным решением для низкотемпературных применений и требуют корректного подбора и настройки системы управления впрыском для оптимальной работы и долговечности.
Заказ товара на сайте через корзину
При этом способе заказа Вы самостоятельно формируете заказ и отправляете его нам на обработку.
В корзину можно «положить» любое количество товаров, а также редактировать заказ, меняя количество товаров, а также добавляя/удаляя другие товары. Когда весь товар уже выбран, можно приступать к оформлению заказа..
После отправки заказа на Вашу электронную почту поступит уведомление с номером заказа, его составом и стоимостью, а наш менеджер перезвонит Вам для подтверждения и согласования условий, а также времени доставки.
Заказ по телефону
Если Вы по каким-то причинам не хотите оформлять заказ в интернет-магазине, то Вы всегда можете заказать товар, позвонив по телефону. Таким образом Вы сэкономите свое время на поиск нужного товара на сайте. Наши специалисты смогут помочь Вам в этом и порекомендовать наиболее подходящее под ваши требования оборудование
|
+7 (495) 532-78-98
|
|
| пн-пт: | 9.00-21.00 |
| сб-вс: | 9.00-21.00 |
* Заказы, сделанные в электронном виде в нерабочее время, обрабатываются утром следующего рабочего дня.
Заказ с помощью e-mail
Заказ, сделанный по электронной почте обладает рядом преимуществ. Вы можете не только описать подробно свои требования к товару, доставке, но и задать любой интересующий Вас вопрос, а также приложить свои файлы к письму, например проект, или фотографию помещения, в котором планируется установка оборудования.
Пишите нам на info@pkholod.ru
Информация на сайте не является публичной офертой
Обращаем Ваше внимание на то, что данный интернет-сайт носит исключительно информационный характер и ни при каких условиях не является публичной офертой, определяемой положениями ч. 2 ст. 437 Гражданского кодекса Российской Федерации.
Процесс подготовки и размещения информации на интернет-сайте занимает некоторое время. Обновления не всегда мгновенно отражаются в соответствующих разделах интернет-ресурса.
Для получения подробной информации о стоимости продукции, сроках выполнения работ и услуг, пожалуйста, обращайтесь к сотрудникам компании «ПК ХОЛОД». Заказы, размещенные на сайте посредством программных средств передачи заказов (корзина заказов, кнопка «Заказ в один клик» и т.п.), обретают статус оферты после подтверждения менеджером отдела клиентского обслуживания «ПК ХОЛОД».
СПОСОБЫ ОПЛАТЫ
НАЛИЧНЫМИ
Вы оплачиваете заказ наличными курьеру при получении заказа.
Вместе с заказом Вы получаете товарный чек, содержащий все товарные позиции Вашего заказа. Оплата наличными доступна физическим лицам.
НАЛОЖЕННЫЙ ПЛАТЕЖ
Оплатить товар при получении вы можете при доставке ТК ПЭК, Деловые Линии, СДЭК. Минимальная предоплата за товар составляет 5%. Предварительно согласовывается с менеджером.
РАССРОЧКА ОТ СБЕРБАНКА
С удовольствием сообщаем, что у нас появилась возможность оформить покупку с использованием программы «Рассрочка от Сбербанка».
ДЛЯ СОВЕРШЕНИЯ ПОКУПКИ НЕОБХОДИМЫ:
- Действующая дебетовая карта СберБанка
- СберБанк Онлайн и Мобильный банк
- Паспорт гражданина РФ (возраст покупателя должен быть - от 18 до 70 лет на момент возврата кредита по договору, обязательно наличие постоянной (временной) регистрации по месту жительства/пребывания на территории Российской Федерации)
УСЛОВИЯ СЕРВИСА:
- Срок рассрочки – 3 и 6 месяцев.
- Первый взнос – 0 руб.
- Переплата – 0 руб.
- Сумма рассрочки от 3 000 до 300 000 руб.
ДЛЯ ОФОРМЛЕНИЯ РАССРОЧКИ ЧЕРЕЗ СЕРВИС «РАССРОЧКА ОТ СБЕРБАНКА»:
- Выберите на сайте магазина товар, нажмите «Купить в рассрочку».
- Авторизуйтесь в Сбербанк Онлайн и направьте заявку на рассмотрение. Рассмотрение заявки в течение нескольких минут!
- Если заявка одобрена, деньги за покупку автоматически будут перечислены в магазин.
- Согласуйте с менеджером комфортный способ и время получения товара.
Подробнее с условиями кредитования можно ознакомиться на странице https://www.sberbank.com/ru/person/credits/money/pos
ОПЛАТА БАНКОВСКОЙ КАРТОЙ
Вы оплачиваете заказ с помощью банковской карты на сайте компании
Возможность оплаты по банковской карте через интернет будет доступна в личном кабинете после подтверждения вашего заказа менеджером.
Использование Карты невозможно в следующих случаях:
- номер Карты внесен в Стоп-лист (после исключения из Стоп-листа возможно дальнейшее использование Карты);
- истек срока действия Карты;
- Карта заблокирована при наборе неправильного ПИН-кода 3 (три) раза подряд;
- Карта заблокирована по требованию Клиента или по указанию Банка (блокировка авторизуемых расходных операций по Карте);
- отсутствие или недостаток денежных средств на Картсчете для совершения операции;
- отсутствие связи с банком.
ПО БЕЗНАЛИЧНОМУ РАСЧЁТУ
После оформления заказа если товар в наличии вам будет доступен счет на оплату в личном кабинете. При покупке заказного товара c Вами свяжется менеджер для подтверждения заказа.
Счет действителен 3 рабочих дня. Все необходимые для бухгалтерии документы выдаются вместе с заказом при получении.
КРЕДИТ
Вы оформляете заказ на сайте компании и отмечаете в способе оплаты “кредитная заявка”.
Далее с Вами свяжется менеджер для уточнения деталей заказа, после чего специалист банка уточнит необходимые данные для оформления кредита. Для этого Вам необходимо иметь паспорт под рукой.
После одобрения кредита и оформления документов в одной из указанных торговых точек у представителя банка, покупатель может получить товар на складе компании (м.Водный стадион) или заказать доставку.
Как оформить рассрочку без переплаты онлайн:
- Выбрать товар доступный к рассрочке
- Добавить в корзину
- При оформлении заказа на этапе «способ оплаты» выбрать «рассрочка без переплат». Для подачи заявки на рассрочку Вас перенаправит на сайт партнера, где необходимо следовать указаниям банка. Ожидайте решения банка и следуйте инструкциям на последнем этапе оформления заказа.
- При положительном ответе Банка завершить оформление заказа.
ОРГАНИЗАЦИИ ПРЕДЛАГАЮЩИЕ РАССРОЧКУ: ПАО «Сбербанк», АО «Почта Банк», АО «Тинькофф Банк»
НАШИ РЕКВИЗИТЫ
ООО "КОМПРЕССОР"ИНН 7725420559
КПП 502701001
Р/С 40702810310000281120
К/С 30101810145250000974
БИК 044525974
Банк АО "ТИНЬКОФФ БАНК"
Р/С 40702810040000004490
К/С 30101810400000000225
БИК 044525225
Банк ПАО СБЕРБАНК
Бухгалтерия: Buh@ksktrade.ru
- Вот уже 25 лет наша компания занимает уверенные позиции на рынке и предоставляет только самые современные решения.
- За годы успешной работы команда ТД "КСК Трейд", ПК Холод, приобрела бесценный опыт, о чем свидетельствуют положительные отзывы наших клиентов.
- В случае если у Вас возникли вопросы при оформлении заказа, Вы всегда можете обратиться в наш справочный центр по бесплатному номеру телефона +7 (800) 100-8871 или воспользовавшись онлайн-консультантом на сайте.
Доставка
Мы осуществляем доставку по г. Москва и области (собственная служба доставки), также по России (через партнерские транспортные компании ПЭК, Деловые линии, СДЭК, МегаТранс, Мейджик Транс, Байкал Сервис).
Курьерская доставка
- Доставка курьером действует по Москве и ближайшему Подмосковью 5 км от МКАД -БЕСПЛАТНО.
- Доставка курьером согласовывается с отделом продаж и логистики в момент оформления заказа.
Доставка ТК
- Доставка по России и СНГ осуществляется наземным транспортом ТК ПЭК, ТК Деловые линии, СДЭК, ТК МегаТранс, ТК Мейджик Транс, ТК Байкал Сервис.
- Оплату доставки в регионы оплачивает покупатель по тарифам ТК.
- Экспедирование заказов до терминала ТК по понедельникам и субботам - БЕСПЛАТНО.
Самовывоз
- Самовывоз: 119619, Город Москва, вн.тер.г. муниципальный округ Солнцево, ул Производственная, д. 11, стр. 8.