Новости
1 октября 2025
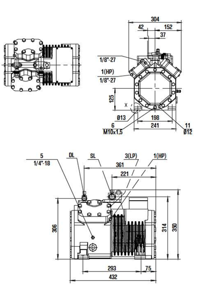
У нас в наличии компрессор DMZL 4YG-9.2 (Китай), который является надежным аналогом популярного Bitzer 4CES-9Y. Этот полугерметичный поршневой компрессор отлично подходит для работы в холодильных и кондиционерных системах.
Технические характеристики DMZL 4YG-9.2:
- Тип: полугерметичный поршневой
- Холодопроизводительность: 24,8 кВт (при +5/50°C, хладагент R404A)
- Номинальная мощность: 9 л.с.
- Электропитание: 3 фазы, 380 В, 50 Гц
- Масса: 91 кг
- Габариты (В×Ш×Г): 350×432×304 мм
- Объем масла: 2 л, тип масла POE 32/BSE32
- Присоединения: всасывание 28 мм, нагнетание 22 мм
- Рабочие хладагенты: R404A, R507, R407, R134a, R22
Этот компрессор отлично заменяет Bitzer 4CES-9Y, имеет схожие габариты и параметры, что упрощает интеграцию в существующие холодильные и кондиционерные системы. DMZL 4YG-9.2 отличается высокой производительностью и надежностью.
Если вы ищете качественный и доступный компрессор для промышленного или коммерческого оборудования — этот вариант станет отличным решением!
Свяжитесь с нами для заказа или консультации. Также вы можете заказать компрессор самостоятельно у нас.
Технические характеристики DMZL 4YG-9.2:
- Тип: полугерметичный поршневой
- Холодопроизводительность: 24,8 кВт (при +5/50°C, хладагент R404A)
- Номинальная мощность: 9 л.с.
- Электропитание: 3 фазы, 380 В, 50 Гц
- Масса: 91 кг
- Габариты (В×Ш×Г): 350×432×304 мм
- Объем масла: 2 л, тип масла POE 32/BSE32
- Присоединения: всасывание 28 мм, нагнетание 22 мм
- Рабочие хладагенты: R404A, R507, R407, R134a, R22
Этот компрессор отлично заменяет Bitzer 4CES-9Y, имеет схожие габариты и параметры, что упрощает интеграцию в существующие холодильные и кондиционерные системы. DMZL 4YG-9.2 отличается высокой производительностью и надежностью.
Если вы ищете качественный и доступный компрессор для промышленного или коммерческого оборудования — этот вариант станет отличным решением!
Свяжитесь с нами для заказа или консультации. Также вы можете заказать компрессор самостоятельно у нас.