2-цилиндровый поршневой полугерметичный компрессор Bitzer 2CES-3Y-40S
Поршневой 2-цилиндровый полугерметичный компрессор Bitzer 2CES-3Y-40S является аналогом модели Bitzer 2CC-3.2Y.
Компрессор 2CES оптимизирован для работы с хладагентом R134a, также могут использоваться R404A, R407C, R507A. Компрессор поставляется заправленным синтетическим полиэфирным маслом (POE), поэтому для работы с хладагентом R22 может понадобится замена масла.
Купить поршневой полугерметичный компрессор Bitzer 2CES-3Y-40S можно в нашем магазине. Купить оптом и в розницу со склада в Москве, есть доставка по РФ. Если есть вопросы наши менеджеры окажут профессиональную помощь в подборе и оформлении заказа.
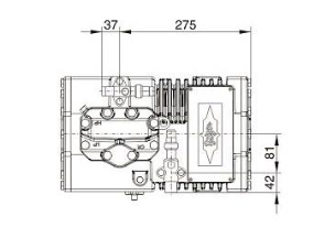
Схема подключения поршневого компрессора Bitzer 2CES-3Y-40S

Позиции присоединений, обозначенные на чертежах
1. Присоединение высокого давления (HP)
2. Датчик температуры нагнетаемого газа (HP) или датчик системы CIC
3. Присоединение низкого давления (LP)
4. Система CIC: форсунка впрыска (LP)
5. Штуцер для заправки маслом
6. Слив масла
7. Масляный фильтр (магнитный уловитель)
8. Возврат масла (маслоотделитель)
9.Присоединение для выравнивания по маслу и газу (параллельная работа)
9a. Присоединение для выравнивания по пару (параллельная работа)
9b. Присоединение для выравнивания по маслу (параллельная работа)
10. Подогреватель картера
11. Штуцер давления масла +
12. Штуцер давления масла -
16. Присоединение для датчика контроля масла (оптико-электронный контроль уровня масла "OLC-K1" или датчик реле давления масла "Delta-P")
21. Присоединение для масляного сервисного клапана
SL Линия всасывания
DL Линия нагнетания

Привод компрессоров износоустойчив, обеспечивается низкая вибрация и бесшумность работы, чему способствует оптимизированная балансировка масс и низкая пульсация газа благодаря особой конструкции головки цилиндров. Компактный дизайн требует минимума занимаемого пространства.
Устройство надежно, привод отличается износостойкостью, клапаны выполнены из пружинной ударопрочной стали. Производительность может эффективно регулироваться.
Купить поршневой полугерметичный компрессор Bitzer 2CES-3Y-40S можно в нашем магазине
Технические характеристики поршневого полугерметичного компрессора Bitzer 2CES-3Y-40S:
- Производитель - Bitzer
- Марка компрессора - 2CES-3Y-40S
- Тип компрессора - Полугерметичный поршневой
- Назначение компрессора - Широкий рабочий диапазон
- Высота, мм - 307
- Длина, мм - 398
- Ширина, мм - 259
- Масса нетто, кг - 70
- Количество масла, л - 1,5
- Уровень шума, dBA - 67
- Патрубок на всасывание, дюйм - 7/8"
- Патрубок на нагнетание, дюйм - 5/8"
- Холодильный коэффициент (EN 12900) - 2,20
- Регулирование производительности - Нет
- Электропитание компрессора - 3 фазы/380 В/50 Гц
- Диапазон холодопроизводительности (EN 12900), кВт - 5-10
- Холодопроизводительность (EN 12900), кВт - 8,44
- Версия мотора - 2
- Количество цилиндров - 2