Bitzer 2CES-3Y-40S CN — компактный герой для ваших холодильных систем
Если вы в мире холодильного оборудования, то знаете, насколько важно выбрать компрессор, который не подведёт в ответственный момент. Сегодня я хочу рассказать про компрессор Bitzer 2CES-3Y-40S CN — это настоящая находка для тех, кто ценит надёжность, энергоэффективность и простоту в использовании. Я покопался в интернете, чтобы собрать свежую информацию из официальных источников Bitzer и специализированных сайтов, и вот что у меня получилось. Давайте разберёмся, почему эта модель может стать вашим новым фаворитом в системах охлаждения.Почему Bitzer 2CES-3Y-40S CN — это умный выбор для бизнеса?
Bitzer — это имя, которое говорит само за себя. Эта китайская версия (CN указывает на производство в Китае под контролем немецких стандартов) компрессора из серии ECOLINE создана для коммерческих и промышленных задач, таких как холодильные установки, системы холодоснабжения и кондиционирование воздуха. Он идеально адаптирован для российских условий, где температуры могут капризничать, и предлагает тот же уровень качества, который сделал Bitzer лидером на рынке.
Что особенно круто, так это его универсальность. Этот компрессор легко интегрируется в существующие системы, благодаря совместимости с предыдущими моделями, и работает с кучей хладагентов — от R134a (который он любит больше всего) до R404A, R507A, R407A, R407C, R407F и даже R22 (с некоторыми ограничениями). Представьте: вы устанавливаете его, и он просто делает свою работу, минимизируя шум и вибрации, что идеально для мест, где тишина на вес золота.
Технические фишки: разбираем по косточкам
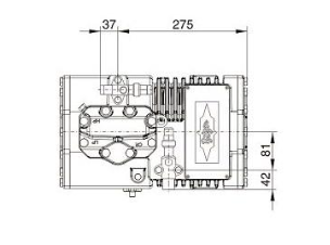
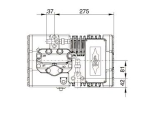
Давайте нырнём в детали. Начну с того, что его объёмная производительность — 16,2 м³/ч при 1450 об/мин (50 Гц), что позволяет справляться с задачами средней мощности. А холодопроизводительность? 8,44 кВт по EN 12900 — это серьёзно для таких компактных размеров. Его масса всего 70–76 кг, так что монтаж не превратится в эпопею, а габариты (длина 398 мм, ширина 259 мм, высота 273 мм) позволяют вписаться даже в тесные пространства.
Что насчёт объёма масла? 1,5 л (тип POE, стандартно BSE32), что упрощает обслуживание. Электропитание на 3 фазы, 380 В, 50 Гц, с максимальным током 28,2 А — всё продумано для стабильной работы. Уровень шума? Лишь 65,5 dBA, так что он не будет мешать в офисах или магазинах. Плюс, с двумя цилиндрами (диаметр 55 мм, ход поршня 39,3 мм) и классом защиты IP66, он выдержит и пыль, и влагу.
Ещё один бонус — никаких сложных регулировок: здесь их нет, что делает его идеальным для стабильных систем. А долговечность? Клапаны из ударопрочной стали и низкая вибрация благодаря идеальной балансировке обеспечивают годы бесперебойной службы. Кстати, схемы и пределы использования (от 0°C до -40°C) можно найти в документации — это реально полезно для профессионалов.
Преимущества в действии: почему он популярен?
Bitzer 2CES-3Y-40S CN — это не просто техника, а настоящий партнёр в бизнесе. Его немецкое качество гарантирует высокую надёжность и долгий срок службы, универсальность позволяет использовать его везде, от маленьких магазинов до больших складов, а низкий шум — бонус для тихих зон. Простота обслуживания с развитой сетью сервиса в России делает его ещё привлекательнее — запчасти всегда под рукой, и ремонт не займёт много времени.
Где взять и как использовать?
Если вы решили обзавестись этим компрессором, заходите в наш магазин — Bitzer 2CES-3Y-40S CN в наличии, оптом или в розницу со склада в Москве. Доставка по РФ — быстрый и удобный процесс. А если нужны советы, наши менеджеры помогут с подбором или оформлением заказа.
Bitzer 2CES-3Y-40S CN — это отличный пример, как техника может упростить жизнь. Если вы в поиске надёжного решения для холодильных систем, это точно стоит рассмотреть.