Bitzer. Винтовой компрессор CSH8563-125Y-40P, технические характеристики
Линейка полугерметичных винтовых компрессоров Bitzer CSH85 — это компактные устройства с механическим регулированием производительности и расширенным диапазоном применения. Они хорошо подходят для промышленных жидкостных чиллеров и тепловых насосов. Встроенная система маслоотделения упрощает конструкцию оборудования и облегчает его установку. Компрессоры данной серии отличаются повышенной энергоэффективностью при полной и частичной нагрузках.
В комплект поставки входят: подогреватель масла мощностью 300 Вт, маслоотделитель, масляный фильтр, датчик температуры нагнетания, стартовая разгрузка, механическое регулирование производительности в четырёх ступенях (100%, 75%, 50%, 25%), плавное регулирование от 100% до 25%, встроенный обратный клапан, защита мотора SE-E1 и заправка маслом.
Технические характеристики винтового компрессора Bitzer CSH8563-125Y-40P:
- Производитель - Bitzer
- Модель - CSH
- Тип компрессора - Полугерметичный винтовой
- Назначение компрессора - Среднетемпературный
- Холодильный коэффициент (EN 12900) - 2,26
- Регулирование производительности - Да
- Электропитание компрессора - 3 фазы/380 В/50 Гц
- Диапазон холодопроизводительности (EN 12900), кВт - >60
- Холодопроизводительность (EN 12900), кВт - 117,0
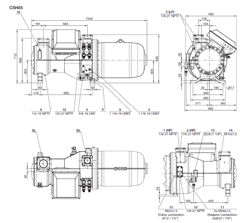
- Высота, мм - 712
- Длина, мм - 1540
- Ширина, мм - 692
- Масса нетто, кг - 860
- Заправка масла, л - 22
- Присоединение линии всасывания - DN 100
- Присоединение линии нагнетания 76 мм - 3 1/8"
Компрессор полугерметичный винтовой компактный CSH8563-125Y-40P в комплектации:
Y - заправка полиэфирным маслом Bitzer BSE 170
DSV D76L - Запорный вентиль на нагнетании D76L-3 1/8" (DN80)
ECO ASV - Адаптер и запорный вентиль для подключения экономайзера
Схема компрессора CSH8563-125Y-40P:

Позиции присоединений, обозначенные на чертежах
1. Присоединение высокого давления (HP)
2. Дополнительное присоединение высокого давления
3. Присоединение низкого давления (LP)
4. Смотровое стекло уровня масла
5. Сервисный масляный клапан (стандарт) / присоединение для выравнивания уровня масла (параллельная работа)
6. Слив масла (корпус мотора)
8. Присоединение для опционального оптико-электронного реле уровня масла (OLC-D1-S)
9. Подогреватель масла в гильзе
10. Присоединение давления масла
11. Присоединение для внешнего маслоохладителя (опциональный адаптер)
12. Датчик температуры масла (PTC)
13. Присоединение для экономайзера (ECO) - опциональный запорный клапан с гасителем пульсаций
14. Резьба для поддерживающей скобы трубопровода (линия для ECO или LI)
15. Присоединение для впрыска жидкости (LI) - опциональный запорный клапан
16. Винт заземления для корпуса
SL Линия всасывания
DL Линия нагнетания