Мощный и энергоэффективный винтовой компрессор Bitzer CSH8563-125Y-40P — идеальный выбор для промышленных систем охлаждения
Винтовой полугерметичный компрессор Bitzer CSH8563-125Y-40P из серии CSH85 представляет собой компактное и надежное решение с механическим управлением производительностью. Эти компрессоры предназначены для использования в промышленных жидкостных чиллерах и тепловых насосах, демонстрируя высокую эффективность как при полной, так и при частичной нагрузке.
Особенностью модели является встроенная система отделения масла, которая упрощает конструкцию оборудования и облегчает монтаж. Кроме того, данный компрессор способен работать при более низких температурах конденсации и выдерживать высокое рабочее давление, что особенно ценно для тепловых насосов, сохраняя при этом стабильную и надежную работу.
Особенностью модели является встроенная система отделения масла, которая упрощает конструкцию оборудования и облегчает монтаж. Кроме того, данный компрессор способен работать при более низких температурах конденсации и выдерживать высокое рабочее давление, что особенно ценно для тепловых насосов, сохраняя при этом стабильную и надежную работу.
Технические характеристики винтового компрессора Bitzer CSH8563-125Y-40P:
- Производитель: Bitzer
- Серия: CSH
- Тип: полугерметичный винтовой
- Назначение: среднетемпературный
- Холодильный коэффициент (EN 12900): 2,26
- Механизм регулирования производительности: имеется
- Электропитание: 3 фазы, 380 В, 50 Гц
- Холодопроизводительность: более 60 кВт, максимальная — 117 кВт
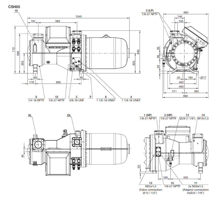
- Размеры (ВхДхШ): 712 × 1540 × 692 мм
- Вес: 860 кг
- Заправка масла: 22 литра
- Диаметр всасывающей линии: DN 100
- Диаметр линии нагнетания: 76 мм (3 1/8 дюйма)
Дополнительно в комплект входят запорные вентили и адаптеры для подключения экономайзера, что делает установку более удобной и функциональной.
Если вы ищете надежный и производительный компрессор для промышленных систем охлаждения, винтовой компрессор Bitzer CSH8563-125Y-40P станет отличным выбором. Компания ПК ХОЛОД предлагает оригинальное оборудование с доставкой и поддержкой экспертов.
Приобретайте полугерметичный винтовой компрессор Bitzer CSH8563-125Y-40P у нас и обеспечьте стабильную и эффективную работу своих холодильных систем!
Схема компрессора CSH8563-125Y-40P:

Позиции присоединений, обозначенные на чертежах
1. Присоединение высокого давления (HP)
2. Дополнительное присоединение высокого давления
3. Присоединение низкого давления (LP)
4. Смотровое стекло уровня масла
5. Сервисный масляный клапан (стандарт) / присоединение для выравнивания уровня масла (параллельная работа)
6. Слив масла (корпус мотора)
8. Присоединение для опционального оптико-электронного реле уровня масла (OLC-D1-S)
9. Подогреватель масла в гильзе
10. Присоединение давления масла
11. Присоединение для внешнего маслоохладителя (опциональный адаптер)
12. Датчик температуры масла (PTC)
13. Присоединение для экономайзера (ECO) - опциональный запорный клапан с гасителем пульсаций
14. Резьба для поддерживающей скобы трубопровода (линия для ECO или LI)
15. Присоединение для впрыска жидкости (LI) - опциональный запорный клапан
16. Винт заземления для корпуса
SL Линия всасывания
DL Линия нагнетания