Описание компрессора CSH8573-140Y-40P
Описание компрессора CSH8573-140Y-40P
CSH8573-140Y-40P — это мощный полугерметичный винтовой компрессор, предназначенный для среднетемпературных холодильных систем промышленного и коммерческого назначения. Модель отличается высокой производительностью, универсальностью по хладагентам и энергоэффективной конструкцией, что делает её оптимальным выбором для систем с повышенной холодильной нагрузкой.
Основные характеристики
Тип компрессора: винтовой полугерметичный
Область применения: среднетемпературные холодильные системы
Разрешённые хладагенты: R-22/R404a/R407C/R134a/R507a
Объёмная производительность: 410 м³/ч
Холодопроизводительность: 265 кВт (при Ткип. = -10°C, Тконд. = +45°C, хладагент R-404a с экономайзером)
Потребляемая мощность: 123,9 кВт
Максимальный рабочий ток: 246 А
Напряжение питания: 380–415 В, 3 фазы, 50 Гц
Масло (для R404a/R407C/R134a/R507a): BSE170 (аналоги: Solest-170, Emkarate RL170H)
Масло (для R-22): B320SH
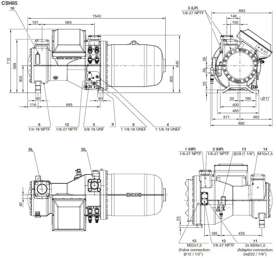
Габариты (Д×Ш×В): 1540 × 691 × 712 мм
Патрубок всасывания: DN 100
Патрубок нагнетания: 3⅛ дюйма
Масса нетто: 870 кг
Ключевые особенности
Высокая холодопроизводительность — 265 кВт при использовании экономайзера, что позволяет эффективно обслуживать крупные холодильные системы.
Универсальность по хладагентам — поддерживает работу на R-22, R404a, R407C, R507a, обеспечивая гибкость при проектировании и модернизации систем.
Энергоэффективность — оптимизированная винтовая пара и система управления снижают энергопотребление при высокой производительности.
Компактность и надёжность — прочный корпус и качественные компоненты обеспечивают долгий срок службы даже при интенсивной эксплуатации.
Простота монтажа и обслуживания — стандартные присоединительные размеры и доступные типы масел упрощают интеграцию и техническое обслуживание.
Области применения
Промышленные холодильные установки и камеры
Крупные системы кондиционирования воздуха
Чиллеры для коммерческих и производственных объектов
Пищевая промышленность, логистические и складские комплексы
Торговые центры, гипермаркеты, распределительные центры
Преимущества модели CSH8573-140Y-40P
Мощность и производительность — увеличенная холодопроизводительность позволяет обслуживать объекты с высокой тепловой нагрузкой.
Экономичность эксплуатации — высокий КПД и возможность использования экономайзера снижают затраты на электроэнергию.
Адаптивность к различным хладагентам — возможность выбора хладагента в зависимости от требований проекта и экологических норм.
Надёжность и долговечность — полутерметичная конструкция и качественные материалы обеспечивают стабильную работу в тяжёлых условиях.
Стандартизированные компоненты — использование общедоступных масел и стандартных присоединительных размеров упрощает обслуживание и снижает затраты на запасные части.
Заключение
CSH8573-140Y-40P — это современный, мощный и надёжный винтовой компрессор, предназначенный для среднетемпературных холодильных систем с высокой производительностью. Его универсальность, энергоэффективность и прочная конструкция делают его идеальным решением для промышленных и коммерческих объектов, где требуется стабильное и экономичное охлаждение.
