Замена компрессора Bitzer 4PCS-10.2Y. Поршневой полугерметичный компрессор Bitzer 4PES-12Y-40P
Bitzer 4PES-12Y-40P — это усовершенствованная версия проверенного и надежного полугерметичного поршневого компрессора 4PCS-10.2Y от немецкой компании Bitzer, известного производителя холодильных и кондиционирующих компрессоров.
Данный компрессор сохраняет высокую энергоэффективность, плавную работу и универсальность применения, предоставляя гибкость в выборе хладагента, прочную конструкцию и высокую надежность. Модель 4PES-12Y-40P имеет такие же размеры и подключения, как и ее предшественник 4PCS-10.2Y, поэтому замена происходит без проблем.
Технические характеристики поршневого полугерметичного компрессора Bitzer 4PES-12Y-40P:
- Производитель - Bitzer
- Тип компрессора - Полугерметичный поршневой
- Уровень шума, dBA - 76,3
- Холодильный коэффициент (EN 12900) - 2,32
- Диапазон холодопроизводительности, кВт - 20-25
- Масса нетто, кг - 139
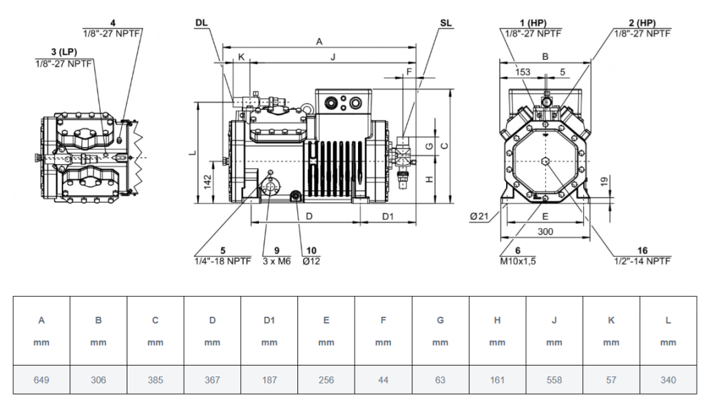
- Высота, мм - 385
- Длина, мм - 632
- Ширина, мм - 303
- Холодопроизводительность (EN 12900), кВт - 23,8
- Регулирование производительности - Да
- Электропитание компрессора - 3 фазы/380 В/50 Гц
- Версия мотора - 2
- Заправка масла, л - 2,6
- Патрубок на всасывание 35 mm, дюйм - 1 3/8"
- Патрубок на нагнетание 28 mm, дюйм - 1 1/8"
- Объемная произв-сть (1450 об/мин 50Гц) - 48,50 m³/h
- Число цилиндров х Диаметр х Ход поршня - 4 x 65 mm x 42 mm
- Макс. избыточное давление (НД/ВД) - 19 / 32 bar
- Тип масла для R134a/R404A/R507A/R407A/R407C/R407F - BSE32(Standard) | R134a tc>70°C: BSE55 (Option)
- Тип масла для R22 (R12/R502) - B5.2(Option)
- Тип масла для R1234yf/R1234ze - BSE32 (Standard) | R1234ze tc>70°C & to>0°C: BSE55 (Option) | R1234ze to>15°C: BSE85K (Option)
- Назначение - Широкий рабочий диапазон
Компактные размеры и продуманная архитектура компрессора позволяют экономить пространство при его установке, что является важным плюсом для оборудования с ограниченным монтажным объемом. Надежность и долговечность конструкции гарантируют клапаны, изготовленные из специальной ударопрочной пружинной стали — такой материал устойчив к механическим нагрузкам и обеспечивает долгую стабильную работу.
Кроме того, модель оснащена современными системами регулирования производительности, которые эффективно управляют мощностью компрессора, позволяя адаптировать его работу под текущие потребности системы. Это не только повышает энергоэффективность, но и способствует снижению износа оборудования, а также облегчает эксплуатацию и обслуживание.
Купить поршневой полугерметичный компрессор Bitzer 4PES-12Y-40P можно в нашем магазине
Схема подключения поршневого компрессора Bitzer 4PES-12Y-40P

Позиции присоединений, обозначенные на чертежах
1. Присоединение высокого давления (HP)
2. Датчик температуры нагнетаемого газа (HP) или датчик системы CIC
3. Присоединение низкого давления (LP)
4. Система CIC: форсунка впрыска (LP)
5. Штуцер для заправки маслом
6. Слив масла
7. Масляный фильтр (магнитный уловитель)
8. Возврат масла (маслоотделитель)
9. Присоединение для выравнивания по маслу и газу (параллельная работа)
9a. Присоединение для выравнивания по пару (параллельная работа)
9b. Присоединение для выравнивания по маслу (параллельная работа)
10. Подогреватель картера
11. Штуцер давления масла +
12. Штуцер давления масла -
16. Присоединение для датчика контроля масла (оптико-электронный контроль уровня масла "OLC-K1" или датчик реле давления масла "Delta-P")
21. Присоединение для масляного сервисного клапана
SL Линия всасывания
DL Линия нагнетания
