Замена компрессора Bitzer 4FC-5.2Y. Поршневой полугерметичный компрессор Bitzer 4FES-5Y-40S
Bitzer 4FES-5Y-40S — это усовершенствованная версия проверенного и надежного полугерметичного поршневого компрессора 4FC-5.2Y от немецкой компании Bitzer, известного производителя холодильных и кондиционирующих компрессоров.
Данный компрессор сохраняет высокую энергоэффективность, плавную работу и универсальность применения, предоставляя гибкость в выборе хладагента, прочную конструкцию и высокую надежность. Модель 4FES-5Y-40S имеет такие же размеры и подключения, как и ее предшественник 4FC-5.2Y, поэтому замена происходит без проблем.
Данный компрессор обладает надежным и прочным приводом, который отличается высокой стойкостью к износу, что обеспечивает долговечность работы устройства. Особое внимание уделено оптимальной балансировке масс — это значительно снижает вибрационные нагрузки во время работы, делая эксплуатацию более плавной и тихой. Конструкция головки цилиндров выполнена таким образом, чтобы минимизировать шум и уменьшить колебания давления газа, что приводит к снижению газовой пульсации внутри компрессора.
Технические характеристики поршневого полугерметичного компрессора Bitzer 4FES-5Y-40S:
- Назначение компрессора - Широкий рабочий диапазон
- Холодильный коэффициент (EN 12900) - 2,23
- Регулирование производительности - Да
- Электропитание компрессора - 3 фазы/380 В/50 Гц
- Диапазон холодопроизводительности (EN 12900), кВт - 5-10
- Холодопроизводительность (EN 12900), кВт - 9,10
- Версия мотора - 1
- Количество цилиндров - 4
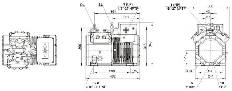
- Высота, мм - 348
- Длина, мм - 432
- Ширина, мм - 308
- Масса нетто, кг - 86
- Количество масла, л - 2,0
- Уровень шума, dBA - 68,6
- Патрубок на всасывание, дюйм - 7/8"
- Патрубок на нагнетание, дюйм - 5/8"
- Производитель - Bitzer
- Марка компрессора - 4FES-5Y-40S
- Тип компрессора - Полугерметичный поршневой
Кроме того, модель оснащена современными системами регулирования производительности, которые эффективно управляют мощностью компрессора, позволяя адаптировать его работу под текущие потребности системы. Это не только повышает энергоэффективность, но и способствует снижению износа оборудования, а также облегчает эксплуатацию и обслуживание.
Схема подключения поршневого компрессора Bitzer 4FES-5Y-40S


Позиции присоединений, обозначенные на чертежах
1. Присоединение высокого давления (HP)
2. Датчик температуры нагнетаемого газа (HP) или датчик системы CIC
3. Присоединение низкого давления (LP)
4. Система CIC: форсунка впрыска (LP)
5. Штуцер для заправки маслом
6. Слив масла
7. Масляный фильтр (магнитный уловитель)
8. Возврат масла (маслоотделитель)
9. Присоединение для выравнивания по маслу и газу (параллельная работа)
9a. Присоединение для выравнивания по пару (параллельная работа)
9b. Присоединение для выравнивания по маслу (параллельная работа)
10. Подогреватель картера
11. Штуцер давления масла +
12. Штуцер давления масла -
16. Присоединение для датчика контроля масла (оптико-электронный контроль уровня масла "OLC-K1" или датчик реле давления масла "Delta-P")
21. Присоединение для масляного сервисного клапана
SL Линия всасывания
DL Линия нагнетания
Купить поршневой полугерметичный компрессор Bitzer 4FES-5Y-40S можно в нашем магазине
