Замена компрессора Bitzer 4PCS-15.2Y надежный и энергоэффективный полугерметичный поршневой компрессор 4PES-15Y-40P
Компрессор Bitzer 4PES-15Y-40P — это полугерметичный поршневой компрессор, используемый в холодильных и кондиционерных системах, преимущества:- Высокая надежность немецкое качество и долгий срок службы
- Универсальность совместимость с широким range хладагентов
- Низкий уровень шума подходит для чувствительных к шуму применений
- Простота обслуживания развитая сервисная сеть и доступность запчастей
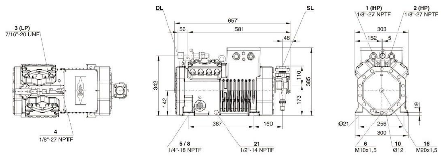
Схема компрессора 4PES-15Y-40P:

Пределы использования:

Основные характеристики:
- Мощность около 27,1 кВт
- Холодопроизводительность 23,7 кВт (на R404A при -10/+45°C)
- Объемная производительность 48,5 м³/ч при 1450 об/мин, 50 Гц
- 4 цилиндра
- Диаметр цилиндра 65 мм, ход поршня 42 мм
- Рабочее напряжение 380–420 В, 3 фазы, 50 Гц
- Максимальный рабочий ток 28,2 А
- Объем масла 2,6 л, тип масла BSE32 (стандарт)
- Поддерживаемые хладагенты: R134a, R404A, R507A, R407A, R407C, R407F, R22 (ограниченно)
- Вес 142 кг
- Уровень шума 75–79,9 дБ(А)
- Класс защиты IP66