Замена устаревшего компрессора Bitzer 4NCS-20.2Y - полугерметичный поршневой компрессор 4NES-20Y-40P
Компрессор Bitzer 4NES-20Y-40P — это полугерметичный поршневый компрессор, предназначенный для холодильных систем, холодоснабжения и кондиционирования воздуха. Компрессор популярен в России благодаря своей надежности и адаптации к локальным условиям, преимущества:- Высокая надежность немецкое качество и долгий срок службы
- Универсальность совместимость с широким range хладагентов
- Низкий уровень шума подходит для чувствительных к шуму применений
- Простота обслуживания развитая сервисная сеть и доступность запчастей
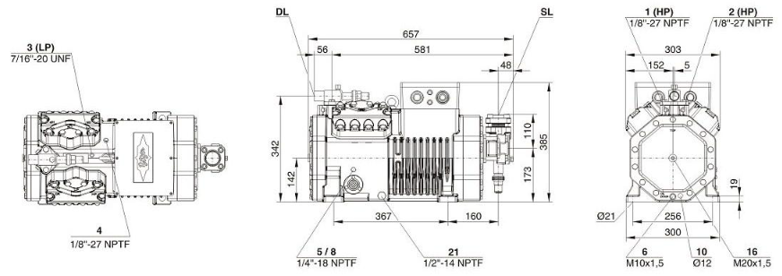
Схема компрессора 4NES-20Y-40P:

Пределы использования:

Компрессор BITZER 4NES-20Y-40P — это полугерметичный поршневой компрессор серии Ecoline, предназначенный для холодильных систем, холодоснабжения и кондиционирования воздуха. Он оптимизирован для работы в российский условиях и совместим с предыдущими моделями.
Ключевые характеристики:
- Производительность: Объемная — 56,25 м³/ч (при 1450 об/мин, 50 Гц); Холодопроизводительность — до 28,6 кВт.
- Параметры: 4 цилиндра, вес 150 кг, габариты 657×303×385 мм.
- Питание: 380–420 В, 3 фазы, 50 Гц.
- Хладагенты: R134a, R404A, R407C, R507A, R22.
- Другие детали: Уровень шума — 77,5–78,3 dB(A); объем масла — 2,6 л; степень защиты — IP66.
Если нужна дополнительная информация или помощь — обращайтесь к нашим менеджерам!