Замена устаревшего компрессора Bitzer 4TCS-12.2Y полугерметичный поршневой компрессор 4TES-12Y-40P
Компрессор Bitzer 4TES-12Y-40P — это полугерметичный поршневой компрессор, используемый в коммерческих и промышленных холодильных системах, преимущества:- Высокая надежность немецкое качество и долгий срок службы
- Универсальность совместимость с широким range хладагентов
- Низкий уровень шума подходит для чувствительных к шуму применений
- Простота обслуживания развитая сервисная сеть и доступность запчастей
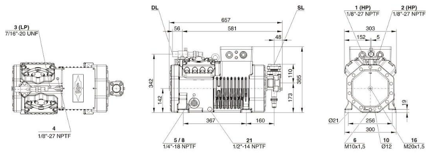
Схема компрессора 4TES-12Y-40P:

Пределы использования:

Основные характеристики:
- Холодопроизводительность: около 21,0 кВт
- Объемная производительность: 41,33 м³/ч при 1450 об/мин, 50 Гц
- Количество цилиндров: 4
- Электропитание: 3 фазы, 380–400 В, 50 Гц, также возможна работа на 220–240 В
- Максимальный рабочий ток: 19,1–25,1 А
- Пусковой ток (распределенное подключение): 69 А
- Масса: 141 кг
- Объем масла: 2,6 л
- Уровень шума: 74,3 дБА
- Присоединения: всасывающий патрубок 1 3/8" (35 мм), нагнетательный 1 1/8" (28 мм)
- Габариты: 632 × 303 × 385 мм
Особенности: компактный дизайн, низкая вибрация, ступенчатое регулирование производительности, долговечные материалы клапанов.
Если нужна дополнительная информация или помощь — обращайтесь к нашим менеджерам!