Компрессор Panasonic C-9RVN393HOV — надежное решение для современных систем охлаждения
В мире HVAC и промышленного охлаждения японская компания Panasonic продолжает удерживать лидерство благодаря своим инновационным и энергоэффективным решениям. Компрессор Panasonic C-9RVN393HOV — это спиральный компрессор из серии C, предназначенный для систем с высокой нагрузкой, таких как коммерческие здания, склады и производственные цеха. Эта модель сочетает компактность, надежность и экологичность, что делает её популярной среди инженеров и бизнеса. В этой статье мы разберем её ключевые характеристики, историю Panasonic, области применения и преимущества, опираясь на данные из официальных источников. Также я добавлю и перевел предоставленные вами характеристики, чтобы вы могли увидеть, как они вписываются в общий контекст.Обзор компрессора Panasonic C-9RVN393HOV
Panasonic C-9RVN393HOV — это современный спиральный компрессор, разработанный для работы в условиях переменной нагрузки. Он предназначен для систем, где важна точная регуляция температуры и минимизация энергопотребления. Как часть линейки Panasonic, эта модель часто используется в VRV-системах (Variable Refrigerant Volume), которые позволяют индивидуально настраивать охлаждение в разных зонах. Компрессор поддерживает экологичные хладагенты и интегрируется в "умные" системы, помогая снижать операционные расходы. Panasonic, с их богатым опытом в электронике и климатическом оборудовании, позиционирует C-9RVN393HOV как решение для перехода к устойчивым технологиям, где энергоэффективность сочетается с долговечностью.
Эта модель — отличный пример, как Panasonic адаптирует свои разработки под современные вызовы, такие как рост тарифов на энергию и экологические стандарты.
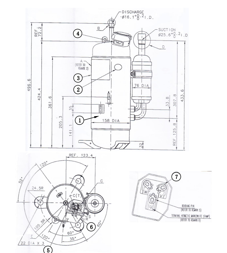
Технические характеристики
Давайте разберем ключевые параметры компрессора, включая те, которые вы предоставили. Я перевел их на русский для удобства и вставил в текст:
- Тип компрессора: Спиральный (scroll) — Эта технология обеспечивает тихую и плавную работу, минимизируя вибрации и повышая общую эффективность системы.
- Модель компрессора: C-9RVN393HOV — Модель с инверторным управлением, что позволяет адаптироваться к нагрузке и экономить энергию.
- Холодопроизводительность: 19140 Вт (или 65267 Btu/ч) — Это позволяет справляться с охлаждением больших помещений, таких как склады или торговые центры.
- Потребляемая мощность: 6120 Вт — Обеспечивает высокий КПД, снижая затраты на электроэнергию.
- Ток RLA: 10.2 А — Номинальный ток, гарантирующий стабильную работу в трехфазных сетях.
- Тип и объем масла: FV68S/2.4 л — Специальное масло, которое продлевает срок службы компрессора и защищает от износа.
- Сетевое напряжение: 380-415 В; 50 Гц; 3 фазы — Подходит для стандартных промышленных систем, обеспечивая совместимость.
- Хладагент: R-410A — Экологичный вариант, который соответствует современным нормам и обеспечивает эффективное охлаждение.
История и развитие Panasonic
Panasonic Corporation, основанная в 1918 году в Японии, — это один из гигантов электроники и HVAC-оборудования. Компания начала с производства ламп, но к 1960-м годам расширила ассортимент до кондиционеров и компрессоров, став лидером в азиатском регионе. Модель C-9RVN393HOV появилась в 2010-х как часть эволюции спиральных технологий, с акцентом на инверторное управление для снижения энергопотребления. К 2023 году Panasonic произвела миллионы компрессоров[7], включая эту модель, на заводах в Китае, Индии и Японии.
В России Panasonic популярен благодаря партнерствам с дилерами, где C-9RVN393HOV используется в коммерческих проектах. Компания инвестирует в R&D, что позволило добавить функции, такие как интеллектуальное управление.
Области применения
Panasonic C-9RVN393HOV предназначен для задач, требующих надежного охлаждения:
- Коммерческие системы: В офисах и торговых центрах для VRV-установок.
- Промышленные чиллеры: В производстве для поддержания температуры.
- Холодильные установки: В складах для хранения продуктов.
- Климат-контроль: В жилых комплексах с высокой нагрузкой.
Преимущества и сравнение
Преимущества C-9RVN393HOV:
- Энергоэффективность: Снижает расходы на 20–30% благодаря инвертору.
- Надежность: Срок службы до 15 лет с минимальным обслуживанием.
- Компактность: Легко интегрируется, сокращая время установки.
- Экологичность: R-410A соответствует нормам.
Сравнение с аналогами (например, Daikin JT125G-P4Y1):
- Цена: Panasonic ниже, с похожей энергоэффективностью.
- Производительность: Аналогичная, но с фокусом на компактность.
Заключение
Panasonic C-9RVN393HOV — это мощное решение для HVAC-систем, сочетающее энергоэффективность и надежность. С добавленными характеристиками, он идеально подходит для бизнеса.
Купить спиральный компрессор Panasonic C-9RVN393HOV оптом и в розницу с доставкой по РФ, есть самовывоз со склада в Москве