Схемы винтовых компрессоров XUE YING серии BGL
Винтовые компрессора серии BGL от компании XUE YING являются полными аналогами по характеристикам и способам крепления винтовым компрессорам серии HSN (HSK) от компании Bitzer. При этом дешевле компрессоров от Bitzer и не уступают по качеству и надежности.
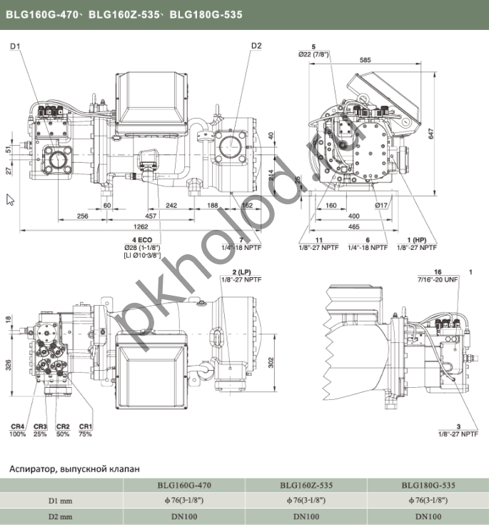
1. HP (High Pressure) – Точка подключения высокого давления
2. LP (Low Pressure) – Точка подключения низкого давления
3. Датчик температуры нагнетания (HP) – Контроль перегрева
4. Подключение экономайзера/впрыска жидкости (опционально: запорный клапан или фитинг)
5. Масляный впрыск – Порт подачи масла
6. Контрольное отверстие давления масла – Для диагностики
7. Слив масла (со стороны двигателя) – Техническое обслуживание
8. Резьбовые отверстия для крепления – Фиксация компрессора
9. Крепежные винты трубных хомутов – Монтаж трубопроводов

Купить аналог Bitzer HSN5343-20 винтовой компрессор BLG20Z-84
Купить аналог Bitzer HSN5343-30 винтовой компрессор BLG30G-84
Купить аналог Bitzer HSN5353-25 винтовой компрессор BLG25Z-100
Купить аналог Bitzer HSN5353-35 винтовой компрессор BLG35G-100
Купить аналог Bitzer HSN5363-30 винтовой компрессор BLG30Z-118
Купить аналог Bitzer HSK5363-40 винтовой компрессор BLG30G-118

Купить аналог Bitzer HSN6451-40 винтовой компрессор BLG40Z-140
Купить аналог Bitzer HSK6451-50 винтовой компрессор BLG50G-140
Купить аналог Bitzer HSN6461-50 винтовой компрессор BLG50Z-165
Купить аналог Bitzer HSK6461-60 винтовой компрессор BLG60G-165

Купить аналог Bitzer HSN7451-60 винтовой компрессор BLG60Z-192
Купить аналог Bitzer HSK7451-70 винтовой компрессор BLG70G-192
Купить аналог Bitzer HSN7461-70 винтовой компрессор BLG70Z-220
Купить аналог Bitzer HSK7461-80 винтовой компрессор BLG80G-220
Купить аналог Bitzer HSN7471-75 винтовой компрессор BLG75Z-250
Купить аналог Bitzer HSK7471-90 винтовой компрессор BLG90G-250


Купить аналог Bitzer HSN8551-90 винтовой компрессор BLG90Z-315
Купить аналог Bitzer HSK8551-110 винтовой компрессор BLG110G-315
Купить аналог Bitzer HSN8561-110 винтовой компрессор BLG110Z-359
Купить аналог Bitzer HSK8561-125 винтовой компрессор BLG125G-359
Купить аналог Bitzer HSN8571-125 винтовой компрессор BLG125Z-410
Купить аналог Bitzer HSK8571-140 винтовой компрессор BLG140G-410
Купить аналог Bitzer HSK8581-140 винтовой компрессор BLG140Z-470
Купить аналог Bitzer HSN8591-140 винтовой компрессор BLG160Z-535
Купить аналог Bitzer HSK8591-180 винтовой компрессор BLG180G-535